| 注意:访问本站需要Cookie和JavaScript支持!请设置您的浏览器! • 打开购物车 • 查看留言 • 付款方式 • 联系我们 |
![]() |
| 首页 | 电子入门 | 学单片机 | 免费资源 | 下载中心 | 商品列表 | 象棋在线 | 在线绘图 | 加盟五一 | 加入收藏 | 设为首页 |
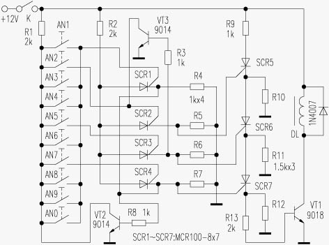
| 选择分类:当前分类——电子入门 相关联或者相类似的文章: 看图识元件!! (342) D40发射管大揭密原文 (339) DIY一个PIC12CXX、16F(C)XX单片机编程器(338) 电路图集锦2(335) 女人一生留给我们最令人振憾的谎言(333) ZIP 一个没落天才的故事(333) 本站点击赚钱项目重大变更(332) 如何把窗体里的内容存为一个位图(328) 18W D类单片音频放大器TDA7481(326) 大蒜的保健和治疗作用(320) 中医调理五脏赶出毒素让你有红润好脸色 !!!(320) 中医很早就有“枸杞养生”的说法(320) 世界上超难找的药方(100条)(320) 60条令你大吃一惊的小常识(320) 您也在井里吗?(320) 单片放音集成电路MM1104A(317) 厕所的幽灵~(313) 8051单片机多媒体学习光盘(313) 2006单片机编程、实验、学习、开发、仿真板(312) KEELOQ滚动码编解码器与RFID(307) 首页 前页 后页 尾页 本站推荐: | 带自锁功能的简易密码锁
本密码锁的特点是,如果按错了密码键顺序或按下了任何一个非密码键,电路即锁定为关断状态,各按键均失效,大大增加了开锁难度。 1、 本站不保证以上观点正确,就算是本站原创作品,本站也不保证内容正确。 2、如果您拥有本文版权,并且不想在本站转载,请书面通知本站立即删除并且向您公开道歉! |
|
本站协议 |
版权信息 |
关于我们 |
本站地图 |
营业执照 |
发票说明 |
付款方式 |
联系方式
深圳市宝安区西乡五壹电子商行——粤ICP备16073394号-1;地址:深圳西乡河西四坊183号;邮编:518102 E-mail:51dz$163.com($改为@);Tel:(0755)27947428 工作时间:9:30-12:00和13:30-17:30和18:30-20:30,无人接听时可以再打手机13537585389 |