注意:访问本站需要Cookie和JavaScript支持!请设置您的浏览器! 打开购物车 查看留言付款方式联系我们
初中电子 单片机教材一 单片机教材二
搜索上次看见的商品或文章:
商品名、介绍 文章名、内容
首页 电子入门 学单片机 免费资源 下载中心 商品列表 象棋在线 在线绘图 加盟五一 加入收藏 设为首页
本站推荐:
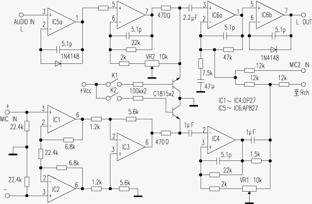
Hi-Fi配音控制放大器制作
文章长度[504] 加入时间[2006/7/1] 更新时间[2026/4/5 3:41:07] 级别[3] [评论] [收藏]


2003年,第4期,类别:音响技术


    该配音控制放大器适合于文艺团体作朗诵以及婚庆录像刻入光盘过程中话音与音乐的混音用途。
  话筒电路由单运放OP27构成共模强抑噪电路,对电流哼声和线路串扰信号有极强的抑制能力。音乐输入及混音部分使用高速低噪运放AD827(图中只画出了L声道部分电路)。为保证该放大器达至Hi-Fi境界,话筒放大和音乐通道的音量调节运用了跨导音量控制(GM)电路,以最大限度降低电位器带来的噪音。并且还可以提高音频的动态范围。图中“MIC2 IN”和“至RCH”这两个接点,在两个声道线路板间应互相连接。这样,配音者的声像定位就处于中间位置了。

                                     浙江  钟宝成



1、 本站不保证以上观点正确,就算是本站原创作品,本站也不保证内容正确。
2、如果您拥有本文版权,并且不想在本站转载,请书面通知本站立即删除并且向您公开道歉! 以上可能是本站收集或者转载的文章,本站可能没有文章中的元件或产品,如果您需要类似的商品请 点这里查看商品列表!
本站协议 | 版权信息 |  关于我们 |  本站地图 |  营业执照 |  发票说明 |  付款方式 |  联系方式
深圳市宝安区西乡五壹电子商行——粤ICP备16073394号-1;地址:深圳西乡河西四坊183号;邮编:518102
E-mail:51dz$163.com($改为@);Tel:(0755)27947428
工作时间:9:30-12:00和13:30-17:30和18:30-20:30,无人接听时可以再打手机13537585389