注意:访问本站需要Cookie和JavaScript支持!请设置您的浏览器! 打开购物车 查看留言付款方式联系我们
初中电子 单片机教材一 单片机教材二
搜索上次看见的商品或文章:
商品名、介绍 文章名、内容
首页 电子入门 学单片机 免费资源 下载中心 商品列表 象棋在线 在线绘图 加盟五一 加入收藏 设为首页
本站推荐:
ss570122的雕刻机制作过程(7)
文章长度[9384] 加入时间[2007/3/18] 更新时间[2026/3/28 6:39:02] 级别[0] [评论] [收藏]

作者:ss570122 原载:磁动力电子论坛

继续雕刻机的制作过程(发布第一版TA8435超限电流(2.5A)三轴驱动板图及简要说明)点击查看相关文章

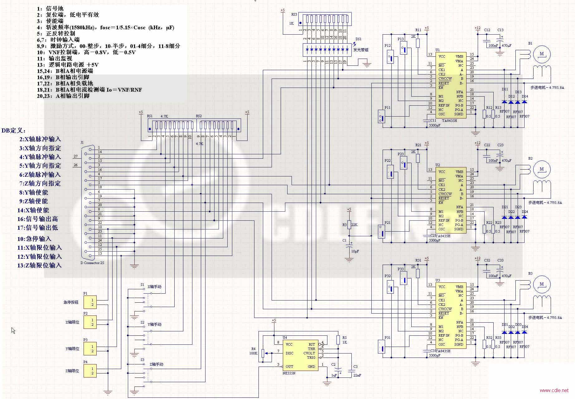
TA8435三轴驱动板原理图
点击看大图
图97 原理图(点击看大图)

TA8435三轴驱动板PCB图
图98 PCB

简要说明:

  1、TA8435H是东芝公司生产的单片正弦细分二相步进电机驱动专用芯片,TA8435H可以驱动二相步进电机,且电路简单,工作可靠。该芯片还具有以下特点:

  工作电压范围宽(10V~40V);输出电流可达1.5A(平均),和2.5A(峰值)(改造后可达2.5A,风扇强制冷却);具有整步、半步、1/4细分、1/8细分运行方式可供选择;采用脉宽调制式斩波驱动方式;具有正/反转控制功能;带有复位和使能引脚可选择使用单时钟输入或双时钟输入。

  和L297+L298比较:线路元件少,调试简单,真正细分,最大1/8细分,低速运行震动噪音小。


  2、附后下载的的原理图和PCB图是在DXP 2004 SP2下设计的,可能在其它版本上使用需要网友自己作相应的转换。

  3、PCB板图TA8435的17、18、19、23管脚是走大电流的,由于排列走线较细,所以网友自己在焊接好元件后要单独在板子背面用硬线将细线段加粗,否则电机会欠电流工作。

  4、R12、R13是电机电流检测电阻,其阻值决定最大工作电流,如果你电机电流不超过1.5A,则可选用0.5欧。芯片加普通散热片即可。 如果你想突破1.5A电流极限,则电阻选用如下:

    当TA8435H的10脚接高电平时

    电机电流2A R12/R13 电阻值选0.4欧(TA8435H加风扇强制冷却)

    电机电流2.5A R12/R13 电阻值选0.32欧(TA8435H加风扇强制冷却)

  5、使用Mach2软件或其它不使用使能控制的软件时 ,将TA8435使能脚(3脚)接低电平,使之总有效。

  6、跳线设置在原理图上有详细标注,网友自己查看。

  7、TA8435H正品大约在30元左右,网友业余应用可采用拆机件,每只5元。

继续雕刻机的制作过程(第一版TA8435三轴控制板实现半流控制)

  我发布的TA8435H第一版三轴控制板也可以实现半流控制了,不过在介绍之前先让网友看一下我的TA8435H三轴控制板和SLA7062M单轴控制板组装好的实体图,你可不要眼红啊。

  大的是TA8435H三轴控制板,三块小的是SLA7062M单轴控制板

图99

  这是我原来用热转印法做的旧板和新板的对比图

图100

  我发布的TA8435H第一版三轴控制板也可以实现半流控制了,不用改动原板子的任何元件和电路,只是在调整电机电流的P11、P21、P31跳线接一块补充板即可,我的补充板全是采用贴片元件,所以体积不大,只有20×12mm,插三块即可实现半流控制。

  如果原电路取样电阻是0.5欧,则有脉冲时全流工作1.8A,无脉冲时半流工作1.0A(严格说不是半流),这样步进电机长时间工作也不会太热。

  下面是补充板单轴插板的原理图

图101

  下面是补充板单轴插板的PCB图

图102

  这是补充板插在原板子的三个位置

图103

  这是我用热转印法已经制作好的补充板空板,

图104

图105

  这是用贴片元件焊好后的补充板

图106

图107

  这是带有半流控制控能的TA8435H三轴控制板,只是将半流控制三块补充板插到P11、P21、P31三个跳线头上,再接一根脉冲线即可

图108

图109

  这个补充电路是送给已经是用过我发布的第一版TA8435H三轴控制板,自己动手作过并调试成功有一定DIY基础的网友。

  因为线路很简单,PCB板也简单,我就不上protel文件了,感兴趣的网友自己照着做,我就不逐一解答了 。

  改进后的雕刻机速度测试视频演示


  这是我制作的雕刻机速度测试视频演示,雕刻机原来是用自己最初设计的TA8435H驱动控制板,只能选用12V和24V电压工作,速度不是很高,现在我的TA8435H控制板经过改进增加半流控制功能后,将驱动电压提高到36V,运行速度提高很多。但是没有见到过其他网友制作的雕刻机视频演示,所以不知道这个速度还算快吗?欢迎有雕刻机的网友给评价一下,以便提高。也希望能将视频演示贴过来,大家了解一下。

这是采用12V电压的测试视频演示

http://program.aeeboo.com/43179.html

这是采用24V电压的测试视频演示

http://program.aeeboo.com/43180.html

这是采用36V电压的测试视频演示(这个一定要看)

http://program.aeeboo.com/43183.html

这是作线路板绘制视频演示(这个一定要看)

http://program.aeeboo.com/43185.html

这是作张大千书法绘制视频演示

http://program.aeeboo.com/43184.html

 单轴SLA7062M板子试验情况通报

  这是SLA7062M和TA8435H的单轴和三轴板子,今天装了一块用单片机调试一下,效果非常好。到底是大功率的片子,将驱动电压加到28V,用1600K的电机试验运行了一会,电机热的烫手,但芯片还只是温热(用TA8435芯片加风扇也烫手,当然其不超过12V还是不错的),看来不超过3A的话,用一般散热片是足够用了。

图110

  这是我装完所有元件后的SLA7062M驱动板图,其实采用贴片元件还是不错的,体积小,规整

图111
  
  这是焊接好的成品板

图112


  这是我用单片开发机作试验的情况,因为原来的电机没有换接口,所以暂时用1600K的电机测试一下,可以说是效果非常好,芯片发热量很小,运行平稳,看来驱动大电流步进电机TA8435H是无法和其相比了。TA8435H电压加到18V,就非常热了(因为是超负荷工作,电机电流1.8A),当然在1.5A以下,TA8435H还是不错的,性价比好,但是其在大电流工作时,尽量不要将电压提得太高,以免烧坏芯片。

图113

  SLA7062M驱动电流取样的控制电压调整很重要,要和所配接的电机相适应,我用C++Builder编了一个小程序,可以任意模拟调整几个相关元件的参数,并看到其控制电压和驱动电流的实际变化,节省了不少调试时间。

  这是芯片全流工作时的控制电压及驱动电流计算值

图114

  这是芯片半流工作时的控制电压及驱动电流计算值

图115

图116

  这是将电阻R14和R15改成10K是的电流变化情况,确实很方便,不用在电路上试验,也不用烦琐的计算,只是在软件上添几个数,拖拖鼠标,几秒钟你想知道的结果就出来了。

图117

图118

1、 本站不保证以上观点正确,就算是本站原创作品,本站也不保证内容正确。
2、如果您拥有本文版权,并且不想在本站转载,请书面通知本站立即删除并且向您公开道歉! 以上可能是本站收集或者转载的文章,本站可能没有文章中的元件或产品,如果您需要类似的商品请 点这里查看商品列表!
本站协议 | 版权信息 |  关于我们 |  本站地图 |  营业执照 |  发票说明 |  付款方式 |  联系方式
深圳市宝安区西乡五壹电子商行——粤ICP备16073394号-1;地址:深圳西乡河西四坊183号;邮编:518102
E-mail:51dz$163.com($改为@);Tel:(0755)27947428
工作时间:9:30-12:00和13:30-17:30和18:30-20:30,无人接听时可以再打手机13537585389