注意:访问本站需要Cookie和JavaScript支持!请设置您的浏览器! 打开购物车 查看留言付款方式联系我们
初中电子 单片机教材一 单片机教材二
搜索上次看见的商品或文章:
商品名、介绍 文章名、内容
首页 电子入门 学单片机 免费资源 下载中心 商品列表 象棋在线 在线绘图 加盟五一 加入收藏 设为首页
本站推荐:
30. 四位数数字温度计
文章长度[] 加入时间[2008/5/30] 更新时间[2026/5/19 16:38:29] 级别[0] [评论] [收藏]
 
1. 温度传感器AD590基本知识
AD590产生的电流与绝对温度成正比,它可接收的工作电压为4V-30V,检测的温度范围为-55℃-+150℃,它有非常好的线性输出性能,温度每增加1℃,其电流增加1uA。
AD590温度与电流的关系如下表所示

摄氏温度
AD590电流
经10KΩ电压
0℃
273.2 uA
2.732V
10℃
283.2 uA
2.832 V
20℃
293.2 uA
2.932 V
30℃
303.2 uA
3.032 V
40℃
313.2 uA
3.132 V
50℃
323.2 uA
3.232 V
60℃
333.2 uA
3.332 V
100℃
373.2 uA
3.732 V

AD590引脚图
2. 实验任务
利用AD590温度传感器完成温度的测量,把转换的温度值的模拟量送入ADC0809的其中一个通道进行A/D转换,将转换的结果进行温度值变换之后送入数码管显示。
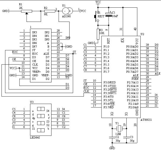
3. 电路原理图
图4.30.1
4. 系统板上硬件连线
(1).    把“单片机系统”区域中的P1.0-P1.7与“动态数码显示”区域中的ABCDEFGH端口用8芯排线连接。
(2).    把“单片机系统”区域中的P2.0-P2.7与“动态数码显示”区域中的S1S2S3S4S5S6S7S8端口用8芯排线连接。
(3).    把“单片机系统”区域中的P3.0与“模数转换模块”区域中的ST端子用导线相连接。
(4).    把“单片机系统”区域中的P3.1与“模数转换模块”区域中的OE端子用导线相连接。
(5).    把“单片机系统”区域中的P3.2与“模数转换模块”区域中的EOC端子用导线相连接。
(6).    把“单片机系统”区域中的P3.3与“模数转换模块”区域中的CLK端子用导线相连接。
(7).    把“模数转换模块”区域中的A2A1A0端子用导线连接到“电源模块”区域中的GND端子上。
(8).    把“模数转换模块”区域中的IN0端子用导线连接到自制的AD590电路上。
(9).    把“单片机系统”区域中的P0.0-P0.7用8芯排线连接到“模数转换模块”区域中的D0D1D2D3D4D5D6D7端子上。
5. 程序设计内容
(1).      ADC0809的CLK信号由单片机的P3.3管脚提供
(2).      由于AD590的温度变化范围在-55℃-+150℃之间,经过10KΩ之后采样到的电压变化在2.182V-4.232V之间,不超过5V电压所表示的范围,因此参考电压取电源电压VCC,(实测VCC=4.70V)。由此可计算出经过A/D转换之后的摄氏温度显示的数据为:
如果(D*2350/128)<2732,则显示的温度值为-(2732-(D*2350/128))
如果(D*2350/128)≥2732,则显示的温度值为+((D*2350/128)-2732)
6. 汇编源程序
(略)
7.C语言源程序
#include <AT89X52.H>
#include <ctype.h>
unsigned char code dispbitcode[]={0xfe,0xfd,0xfb,0xf7,
                                  0xef,0xdf,0xbf,0x7f};
unsigned char code dispcode[]={0x3f,0x06,0x5b,0x4f,0x66,
                               0x6d,0x7d,0x07,0x7f,0x6f,0x00,0x40};
unsigned char dispbuf[8]={10,10,10,10,10,10,0,0};
unsigned char dispcount;
unsigned char getdata;
unsigned long temp;
unsigned char i;
bit sflag;
sbit ST=P3^0;
sbit OE=P3^1;
sbit EOC=P3^2;
sbit CLK=P3^3;
sbit LED1=P3^6;
sbit LED2=P3^7;
sbit SPK=P3^5;
void main(void)
{
  ST=0;
  OE=0;
  TMOD=0x12;
  TH0=0x216;
  TL0=0x216;
  TH1=(65536-4000)/256;
  TL1=(65536-4000)%256;
  TR1=1;
  TR0=1;
  ET0=1;
  ET1=1;
  EA=1;
  ST=1;   
  ST=0;
  getdata=148;
  while(1)
    {
      ;
    }
void t0(void) interrupt 1 using 0
{
  CLK=~CLK;
}
void t1(void) interrupt 3 using 0
{  
  TH1=(65536-4000)/256;
  TL1=(65536-4000)%256;  
  if(EOC==1)
   {
     OE=1;
     getdata=P0;
     OE=0;
     temp=(getdata*2350);
     temp=temp/128;
     if(temp<2732)
       {
         temp=2732-temp;
         sflag=1;
       }
       else
         {
           temp=temp-2732;
           sflag=0;
         }
     i=3;
     dispbuf[0]=10;
     dispbuf[1]=10;
     dispbuf[2]=10;
     if(sflag==1)
       {
         dispbuf[7]=11;
       }
       else
         {
           dispbuf[7]=10;
         }
     dispbuf[3]=0;
     dispbuf[4]=0;
     dispbuf[5]=0;
     dispbuf[6]=0;
    while(temp/10)
      {
        dispbuf[i]=temp%10;
        temp=temp/10;
        i++;
      }
    dispbuf[i]=temp;         
     ST=1;
     ST=0;
   }
  P1=dispcode[dispbuf[dispcount]];
  P2=dispbitcode[dispcount];
  dispcount++;
  if(dispcount==8)
    {
      dispcount=0;
    }
}
1、 本站不保证以上观点正确,就算是本站原创作品,本站也不保证内容正确。
2、如果您拥有本文版权,并且不想在本站转载,请书面通知本站立即删除并且向您公开道歉! 以上可能是本站收集或者转载的文章,本站可能没有文章中的元件或产品,如果您需要类似的商品请 点这里查看商品列表!
本站协议 | 版权信息 |  关于我们 |  本站地图 |  营业执照 |  发票说明 |  付款方式 |  联系方式
深圳市宝安区西乡五壹电子商行——粤ICP备16073394号-1;地址:深圳西乡河西四坊183号;邮编:518102
E-mail:51dz$163.com($改为@);Tel:(0755)27947428
工作时间:9:30-12:00和13:30-17:30和18:30-20:30,无人接听时可以再打手机13537585389