| 注意:访问本站需要Cookie和JavaScript支持!请设置您的浏览器! • 打开购物车 • 查看留言 • 付款方式 • 联系我们 |
![]() |
| 首页 | 电子入门 | 学单片机 | 免费资源 | 下载中心 | 商品列表 | 象棋在线 | 在线绘图 | 加盟五一 | 加入收藏 | 设为首页 |
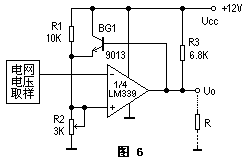
| 选择分类:当前分类——常用资料 相关联或者相类似的文章: 测电流法(505) 器件的筛选与检测(505) 飞行写真(505) 几款直流升压电路(504) 重复式定时电路(503) 28. 数字电压表(503) 防抖动轻触开关(503) 外星人来的那一天(503) 常用运算放大器(502) 315MHz无线红外探测器(502) 怎样利用音乐改善心理状态?(502) 巧购电子元器件(502) 单片机可编程广播自动播出系统(502) 小小电容之大大观(502) 购物21个月后以诚信为理由要求退款(500) 电子高压灭蝇器电路图解(500) 电子点火器电路图及工作原理分析(500) 蓝牙收发芯片RF2968的原理及应用 (500) 如何DIY 投影机?新手知识讲座!(500) 学电子----电子元件介绍(500) 首页 前页 后页 尾页 本站推荐: | LM339功能简介 LM339集成块内部装有四个独立的电压比较器,该电压比较器的特点是: 1)失调电压小,典型值为2mV; 2)电源电压范围宽,单电源为2-36V,双电源电压为±1V-±18V; 3)对比较信号源的内阻限制较宽; 4)共模范围很大,为0~(Ucc-1.5V)Vo; 5)差动输入电压范围较大,大到可以等于电源电压; 6)输出端电位可灵活方便地选用。
图2a给出了一个基本单限比较器。输入信号Uin,即待比较电压,它加到同相输入端,在反相输入端接一个参考电压(门限电平)Ur。当输入电压Uin>Ur时,输出为高电平UOH。图2b为其传输特性。
双限比较器(窗口比较器) 图7电路由两个LM339组成一个窗口比较器。当被比较的信号电压Uin位于门限电压之间时(UR1<Uin<UR2),输出为高电位(UO=UOH)。当Uin不在门限电位范围之间时,(Uin>UR2或Uin<UR1)输出为低电位(UO=UOL),窗口电压ΔU=UR2-UR1。它可用来判断输入信号电位是否位于指定门限电位之间。 用LM339组成振荡器 图8为有1/4LM339组成的音频方波振荡器的电路。改变C1可改变输出方波的频率。本电路中,当C1=0.1uF时。f=53Hz;当C1=0.01uF时,f=530Hz;当C1=0.001uF时,f=5300Hz。 1、 本站不保证以上观点正确,就算是本站原创作品,本站也不保证内容正确。 2、如果您拥有本文版权,并且不想在本站转载,请书面通知本站立即删除并且向您公开道歉! |
|
本站协议 |
版权信息 |
关于我们 |
本站地图 |
营业执照 |
发票说明 |
付款方式 |
联系方式
深圳市宝安区西乡五壹电子商行——粤ICP备16073394号-1;地址:深圳西乡河西四坊183号;邮编:518102 E-mail:51dz$163.com($改为@);Tel:(0755)27947428 工作时间:9:30-12:00和13:30-17:30和18:30-20:30,无人接听时可以再打手机13537585389 |