注意:访问本站需要Cookie和JavaScript支持!请设置您的浏览器! 打开购物车 查看留言付款方式联系我们
初中电子 单片机教材一 单片机教材二
搜索上次看见的商品或文章:
商品名、介绍 文章名、内容
首页 电子入门 学单片机 免费资源 下载中心 商品列表 象棋在线 在线绘图 加盟五一 加入收藏 设为首页
本站推荐:
水位控制电路
文章长度[725] 加入时间[2006/7/1] 更新时间[2026/2/1 10:18:37] 级别[3] [评论] [收藏]
最简单的水位传感元件是采用两个电极,当水面淹没电极时,利用不纯净水的导电性使电极之间导通,但导通电阻值较大,约50kΩ。
在新窗口打开查看!
  水位自动控制电路 如图1所示。一级前置放大管VT1,在其基极输入很微弱的电流(10μA)就可以使VT1~3皆饱和导通。控制开关S可以用大头针做成两个电极,当其被水淹没而导电时,小电动机会自行运转。C1为旁路电容器,防止感应交流电对控制电路的干扰。VT1选用低噪音、高增益的小功率NPN硅管9014。根据上述电路水位控制的功能,能否设计成一个感知下雨自动关窗、自动收晾晒衣服绳索的自动控制器。
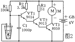
  下偏置水自动控制电路 见图2。图中,将两个电极改接在VT1下偏置,R1仍为上偏置电阻器。当杯内水面低于两个电极时,相当于下偏置开路,R1产生的偏置电流使电动机起动。当水位上升到淹没电极时,两个电极之间被水导通,将R1产生的偏置电流旁路一部分,使VT1~3截止,电动机停转,与图1控制效果恰好相反。
在新窗口打开查看!

1、 本站不保证以上观点正确,就算是本站原创作品,本站也不保证内容正确。
2、如果您拥有本文版权,并且不想在本站转载,请书面通知本站立即删除并且向您公开道歉! 以上可能是本站收集或者转载的文章,本站可能没有文章中的元件或产品,如果您需要类似的商品请 点这里查看商品列表!
本站协议 | 版权信息 |  关于我们 |  本站地图 |  营业执照 |  发票说明 |  付款方式 |  联系方式
深圳市宝安区西乡五壹电子商行——粤ICP备16073394号-1;地址:深圳西乡河西四坊183号;邮编:518102
E-mail:51dz$163.com($改为@);Tel:(0755)27947428
工作时间:9:30-12:00和13:30-17:30和18:30-20:30,无人接听时可以再打手机13537585389