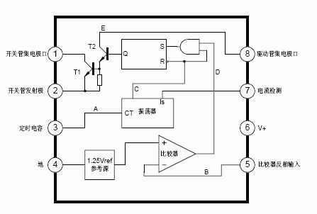
1. MC34063 DC/DC变换器控制电路简介: MC34063是一单片双极型线性集成电路,专用于直流-直流变换器控制部分.片内包含有温度补偿带隙基准源、一个占空比周期控制振荡器、驱动器和大电流输出开关,能输出1.5A的开关电流.它能使用最少的外接元件构成开关式升压变换器、降压式变换器和电源反向器. 特点: *能在3.0-40V的输入电压下工作 *短路电流限制 *低静态电流 *输出开关电流可达1.5A(无外接三极管) *输出电压可调 *工作振荡频率从100HZ到100KHZ 2.MC34063引脚图及原理框图  3 MC34063应用电路图: 3.1 MC34063大电流降压变换器电路
 3.2 MC34063大电流升压变换器电路  3.3 MC34063反向变换器电路  3.4 MC34063降压变换器电路  3.5 MC34063升压变换器电路

查看和发表评论 管理员一般会在8-48小时内回复,会删除无意义的留言以及重复留言,请保证留言标题清晰,内容明确! 1、评论不代表本站观点。 另外,即使是本站原创作品,本站也不保证内容绝对正确。 2、如果您拥有本文版权,并且不想在此处发表,请书面通知本站立即删除并且向您公开道歉! |